一、制藥廠的平面形式
制藥廠房的平面形式主要有長方形、L形、T形和ㄇ形,其中長方形廠房具有結構簡單、施工方便、設備布置靈活、采光和通風效果好等優點,因此是最常用的廠房平面形式,尤其適用于中小型車間。當廠房較長或受工藝地形等條件所限,廠房的平面形式也可采用L形、T形和ㄇ形等特殊形式,此時應充分考慮采光、通風、交通通道和進出口等問題。
在確定制藥廠房的平面形式時,既要考慮生產工藝要求,又要考慮地形等自然條件以及土建施工的可行性、合理性和經濟性。因此,工藝、土建等專業的設計人員應密切配合,對各種方案進行認真的分析和比較,以確定適宜的廠房平面形式。
二、制藥廠的層數
根據生產工藝要求,制藥廠房的層數可以是單層,也可以是多層或單層與多層相結合的形式。一般情況下,單層廠房的投資較少,利用率較高,缺點是占地面積較大。常見制藥廠房的剖面形式如圖1所示。
圖1
三、制藥廠的結構尺寸
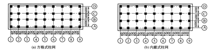
為提高自然采光和通風效果,并考慮建筑的經濟性,制藥廠房的寬度不能太大。一般情況下,單層原料藥廠房的寬度不宜超過30m,多層則不宜超過24m。對于采用人工照明的單層潔凈廠房,其寬度可根據需要增加。制藥廠房的常見寬度有9m、12m、15m、18m和24m。寬度較小的單層廠房內一般不設立柱,即采用單跨,跨度為廠房的寬度。寬度較大的單層廠房或多層廠房,制藥廠房內常設有立柱,其跨度一般為6m。對有內走廊的廠房,內走廊間的跨度一般為3m(內走廊寬度)。
制藥廠房的寬度通常為2~3跨,柱網按6—6、6—3—6、6—6—6的形式布置,如6—3—6表示廠房有三跨,跨度分別為6m、3m和6m,中間的3m為內走廊的寬度。廠房的長度由生產規模和工藝要求決定,柱距一般為6m。常見工業廠房的柱網如圖2所示。

圖2
制藥廠房的高度主要取決于工藝設備的布置要求。在確定廠房高度時,首先要考慮工藝設備本身的高度以及生產工藝對設備的位差要求,此外,還要考慮設備安裝、檢修所需的高度以及儀表、閥門、管道等凸出部分的高度。一般情況下,多層廠房的層高可用5~6m,最低不得低于4.5m。對于高溫及含有毒氣體的廠房,層高還應適當增加。